E-mail:info@connectorjh.com
TEL:181 1876 0029
R & D center: Room 3A07, Bldg.13, Tiedong Logistics Park, China South City, Pinghu,Longgang , Shenzhen
Brand : JH
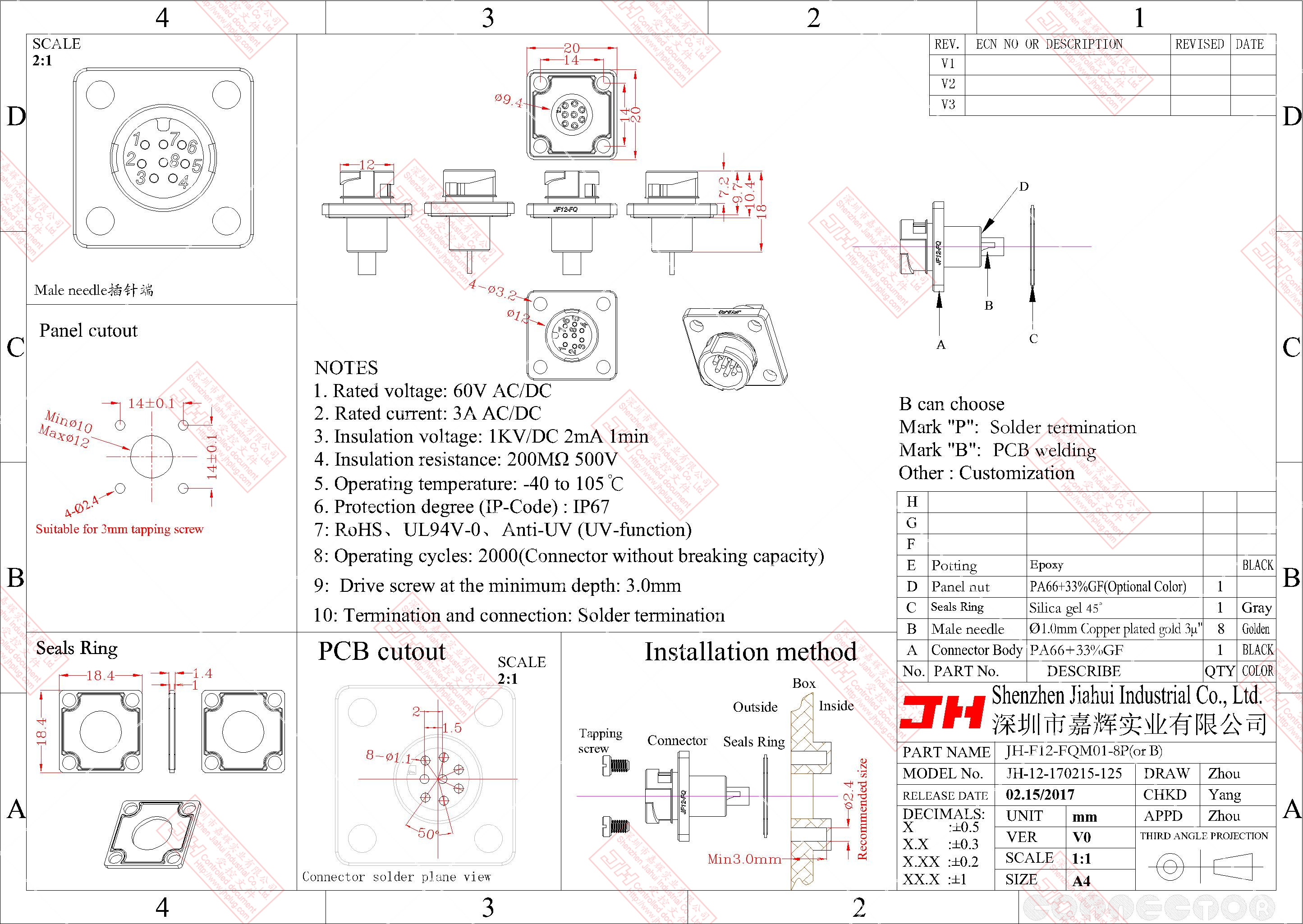
Model : JH-12 series
Category : Flange socket with male needle
Connection : Welding / PCB
Needle category : Male PIN
Drawing number :
JH-F12-FQM01-2P(B)-X
JH-F12-FQM01-3P(B)-X
JH-F12-FQM01-4P(B)-X
JH-F12-FQM01-2+3P(B)-X
JH-F12-FQM01-8P(B)-X
1、Multi-style inner core design(2、3、4、2+3、8 Pole),meet the diverse needs of the industry,Signal and power simultaneously compatible with both
2、Gold-plated contacts,high strength corrosion resistance and conductivity.effectively respond to changes in temperature rise caused by electric current
3、Nylon material,stable electrical performance.high strength of the anti-pressure
4、Quick lock connect design
5、IP-Code:IP67 / IP68



![]()
TEL: 86-755-2899 9979
E-mail:info@connectorjh.com
TEL:181 1876 0029
R & D center: Room 3A07, Bldg.13, Tiedong Logistics Park, China South City, Pinghu,Longgang , Shenzhen
ShenZhen JiaHui Industrial Co.,Ltd. Give us a chance, return you a surprise!